
ZY-SX0330型倒V宽带天线
产品描述
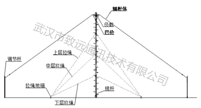
本产品是三线折合、中部加载的偶极子天线,具有宽频带、免调谐、大功率、高效率等特点;加载器件使用特制耐高温无感吸收负载,阻抗匹配使用高效巴伦;线材选用316高标号不锈钢钢丝绳,耐盐雾锈蚀、抗老化;紧固件采用特殊工艺处理,抗拉强度高。根据使用需求,可选择平拉或倒V架设;天线易于架设和撤收,抗毁及重建能力强,应用范围较广。可与本公司生产的升降杆配套使用。
电性能特性
工作频率:3-30MHz
电压驻波比:≤2.5
功率容量:2000W
增益:2dBi(典型值)
极化方式:水平极化
阻抗:50Ω
机械性能特征
天线尺寸:约30m×1.3m(长×宽)
天线架设高度:12m
接口:L29-K
单节桅杆长度:3m
桅杆节数:4节
底节管外径:133mm
顶节管外径:89mm
桅杆拉绳层数:3层
每次拉绳根数:4根
桅杆拉绳材质:尼龙绳或不锈钢丝绳加瓷柱(根据环境适应性要求确定)
匹配器支撑杆:1套
颜色:海灰色(B05)(客户可定制)
环境适应性:符合GJB2669要求
包装方式:帆布袋,木箱
