
ZY-TDF-100S型手动鞭天线倒伏机构
其它热销产品
产品描述
我公司研制的TDF-100S型鞭天线倒伏机构,适用于安装车载天线的通信车使用。该装置通过手动控制车载天线倒伏和竖直,解决通信车在通过涵洞、树林、立交桥等一系列障碍物或进入车库时,车载通信天线因超高易被撞坏,造成通信中断的问题,可以极大地提高通信车行进速度和部队作战的效率。
机械性能特征
1、工作温度: -40℃~+55℃
2、储存温度:-50℃~+75℃
3、工作环境: 全天候
4、重量: ≤2.8kg
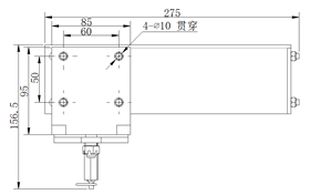
5、主体执行机构尺寸:
外形尺寸(含减震附件):265mm(长) ×156mm(宽) × 142mm(高)
安装尺寸:95mm(长) × 85mm(宽)
