
ZY-TDF-150型电动倒伏器
其它热销产品
产品描述
我公司研制的TDF-150型鞭天线倒伏机构,适用于安装车载天线的通信车使用。该装置通过控制车载天线自动倒伏和竖直,解决通信车在通过涵洞、树林、立交桥等一系列障碍物或进入车库时,车载通信天线因超高易被撞坏,造成通信中断的问题,可以极大地提高通信车行进速度和部队作战的效率。


机械性能特征
工作温度:-40℃~+55℃
储存温度:-50℃~+75℃
工作环境:全天候
工作转矩:≥3kg.m
供电电压:DC 24V (或DC 12V)
最大工作耗流:≤3A
重量:≤15kg
倒下或竖直时间:≤13s
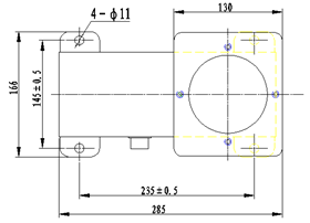
主体执行机构尺寸:
外形尺寸:285mm(长)×166mm(宽)×140mm(高)
安装尺寸:235mm(长)×145mm(宽)
产品组成:
1、执行机构 1套
2、控制器 1个
3、控制电缆 1根
4、电源电缆 1根
